陶瓷霧化片 Atomization Piece
陶瓷晶振 Ceramic SMD crystal
陶瓷濾波器 CeramicFilter
聲表面濾波器|諧振器 SAW filter
千赫晶體KHZ KHz Crystal
石英晶振 Quartz Crystal
貼片晶振 SMD crystal
NJR晶振
應達利晶振
日本大真空晶體 KDS晶振
精工晶振 SEIKO晶體
日本村田陶瓷晶振
西鐵城晶振 CITIZEN晶振
愛普生晶振 EPSON晶振
NSK晶振 NSK晶振
大河晶振 大河晶振
CTS晶振 美國CTS晶振
TXC晶振 TXC晶振
鴻星晶振 鴻星晶振
加高晶振 加高晶振
百利通亞陶晶振 百利通亞陶晶振
泰藝晶振 泰藝晶振
京瓷晶振 京瓷晶振
NDK晶振 NDK晶振
希華晶振 希華晶振
富士晶振 富士晶振
MERCURY晶振
NAKA晶振
SMI晶振
安基晶振
NKG晶振
Renesas瑞薩晶振
ITTI晶振
CTS晶振
Abracon晶振
微晶晶振
瑞康晶振
FOX晶振
Statek晶振
ECS晶振
IDT晶振
高利奇晶振
SiTime晶振
日蝕晶振
康納溫菲爾德晶振
Jauch晶振
維管晶振
拉隆晶振
格林雷晶振
Pletronics晶振
AEK晶振
AEL晶振
Cardinal晶振
Crystek晶振
Euroquartz晶振
Frequency晶振
GEYER晶振
ILSI晶振
KVG晶振
MMDCOMP晶振
MtronPTI晶振
QANTEK晶振
QuartzCom晶振
QuartzChnik晶振
SUNTSU晶振
Transko晶振
WI2WI晶振
韓國三呢晶振
ARGO晶振
ACT晶振
Milliren晶振
韓國Lihom晶振
rubyquartz晶振
美國Oscilent晶振
韓國SHINSUNG晶振
PDI晶振
C-TECH晶振
IQD晶振
Microchip晶振
Fortiming晶振
CORE晶振
NIPPON晶振
NIC晶振
QVS晶振
Bomar晶振
Bliley晶振
GED晶振
FILTRONETICS晶振
STD晶振
Q-Tech晶振
Anderson晶振
Wenzel晶振
NEL晶振
EM晶振
德國PETERMANN晶振
荷蘭FCD-Tech晶體
HEC晶振
FMI晶振
Macrobizes晶振
德國AXTAL晶振
Silicon晶振
SKYWORKS晶振
DEI晶振
石英晶體振蕩器 石英晶體振蕩器
壓控晶振 壓控晶振
溫補晶振 溫補晶振
壓控溫補晶振 壓控溫補晶振
恒溫晶振 恒溫晶振
差分晶振 差分晶振
32.768K有源晶振 32.768K有源晶振
座機: 0755-27876565
手機: 18924600166
E-mail:yijindz@163.com
QQ:857950243
地址:深圳市寶安區新安107國道旁甲岸路
NKG晶振|SCO5W-B-32K768-ZTS-EXT|5032有源晶振


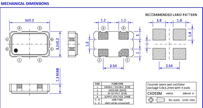
NKG晶振|SCO5W-B-32K768-ZTS-EXT|5032有源晶振,NKG晶振,SCO5W有源晶振,SPXO晶體振蕩器,SCO5W-B-32K768-ZTS-EXT晶振,千赫晶體KHZ,5032mm晶振,SMD晶體,四腳貼片晶振,頻率32.768KHz,電壓3.3V,負載15pF,工作溫度-40~125°C,頻率穩定性50ppm,高可靠性晶振,耐高溫晶振,低功耗晶振,全球定位系統晶振,汽車控制模塊晶振,環繞視圖攝像頭晶振,信息娛樂系統晶振.
NKG晶振|SCO5W-B-32K768-ZTS-EXT|5032有源晶振特點
●SMD封裝尺寸為5.0 x 3.2 x 1.3mm,帶有4個襯墊
●寬電源電壓范圍從1.8到3.3 v,非常適合電池使用
●低電流消耗<100 μ A -理想的便攜式設備
●符合AEC-Q200標準的汽車級產品可供選擇


NKG晶振|SCO5W-B-32K768-ZTS-EXT|5032有源晶振規格表
| Parameter | Symbol | Specifications | Remarks |
| Frequency range | FN | 32.768KHz | - |
|
Supply voltage range
|
VDD
|
3.3V | - |
|
Frequency stability BEST
|
Δf/f | ±50ppm | Other options available |
| Operating temperature range | TOP | -40°C~+125°C | Options available |
|
Output waveform /LOAD
|
CL |
HCMOS /15pF MAX
|
- |
|
Output voltage levels
|
VOH/VOL
|
≥90%VDD /≤10%VDD
|
- |
| Rise and fall times |
tR, tF
|
≤30ns
|
10%~90%~10%VDD
|
|
Output symmetry (duty cycle)
|
DC |
45/55%
|
@50%VDD
|
|
Standby current consumption
|
ISTB
|
<10µA
|
- |
| Aging first year | Δf/y1 | ±3ppm | @+25°C |
.jpg)

NKG晶振|SCO5W-B-32K768-ZTS-EXT|5032有源晶振尺寸圖
.jpg)
.jpg)
公司:深圳市億金電子有限公司
SHENZHEN YIJIN ELECTRONICS CO;LTD
電話:0755-27876565
手機:18924600166
QQ:857950243
郵箱:yijindz@163.com
網站:http://www.lnjyxx.com
地址:廣東省深圳市寶安區新安107國道旁
SHENZHEN YIJIN ELECTRONICS CO;LTD
電話:0755-27876565
手機:18924600166
QQ:857950243
郵箱:yijindz@163.com
網站:http://www.lnjyxx.com
地址:廣東省深圳市寶安區新安107國道旁







銷售代表