陶瓷霧化片 Atomization Piece
陶瓷晶振 Ceramic SMD crystal
陶瓷濾波器 CeramicFilter
聲表面濾波器|諧振器 SAW filter
千赫晶體KHZ KHz Crystal
石英晶振 Quartz Crystal
貼片晶振 SMD crystal
NJR晶振
應達利晶振
日本大真空晶體 KDS晶振
精工晶振 SEIKO晶體
日本村田陶瓷晶振
西鐵城晶振 CITIZEN晶振
愛普生晶振 EPSON晶振
NSK晶振 NSK晶振
大河晶振 大河晶振
CTS晶振 美國CTS晶振
TXC晶振 TXC晶振
鴻星晶振 鴻星晶振
加高晶振 加高晶振
百利通亞陶晶振 百利通亞陶晶振
泰藝晶振 泰藝晶振
京瓷晶振 京瓷晶振
NDK晶振 NDK晶振
希華晶振 希華晶振
富士晶振 富士晶振
MERCURY晶振
NAKA晶振
SMI晶振
安基晶振
NKG晶振
Renesas瑞薩晶振
ITTI晶振
CTS晶振
Abracon晶振
微晶晶振
瑞康晶振
FOX晶振
Statek晶振
ECS晶振
IDT晶振
高利奇晶振
SiTime晶振
日蝕晶振
康納溫菲爾德晶振
Jauch晶振
維管晶振
拉隆晶振
格林雷晶振
Pletronics晶振
AEK晶振
AEL晶振
Cardinal晶振
Crystek晶振
Euroquartz晶振
Frequency晶振
GEYER晶振
ILSI晶振
KVG晶振
MMDCOMP晶振
MtronPTI晶振
QANTEK晶振
QuartzCom晶振
QuartzChnik晶振
SUNTSU晶振
Transko晶振
WI2WI晶振
韓國三呢晶振
ARGO晶振
ACT晶振
Milliren晶振
韓國Lihom晶振
rubyquartz晶振
美國Oscilent晶振
韓國SHINSUNG晶振
PDI晶振
C-TECH晶振
IQD晶振
Microchip晶振
Fortiming晶振
CORE晶振
NIPPON晶振
NIC晶振
QVS晶振
Bomar晶振
Bliley晶振
GED晶振
FILTRONETICS晶振
STD晶振
Q-Tech晶振
Anderson晶振
Wenzel晶振
NEL晶振
EM晶振
德國PETERMANN晶振
荷蘭FCD-Tech晶體
HEC晶振
FMI晶振
Macrobizes晶振
德國AXTAL晶振
Silicon晶振
SKYWORKS晶振
DEI晶振
石英晶體振蕩器 石英晶體振蕩器
壓控晶振 壓控晶振
溫補晶振 溫補晶振
壓控溫補晶振 壓控溫補晶振
恒溫晶振 恒溫晶振
差分晶振 差分晶振
32.768K有源晶振 32.768K有源晶振
座機: 0755-27876565
手機: 18924600166
E-mail:yijindz@163.com
QQ:857950243
地址:深圳市寶安區新安107國道旁甲岸路
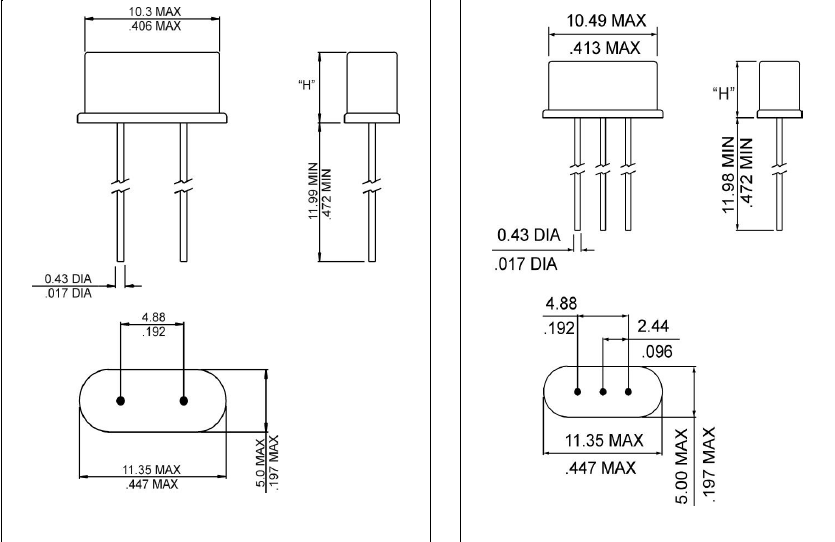
拉隆晶振,AS插件晶振,HC-49/S晶振
.jpg)
.jpg)
拉隆晶振,AS插件晶振,HC-49/S晶振適合用于比較低端的電子產品,比如兒童玩具,普通家用電器,即使在汽車電子領域中也能使產品高可靠性的使用.并且可用于安全控制裝置的CPU時鐘信號發生源部分,好比時鐘單片機上的石英晶振,在極端嚴酷的環境條件下,晶振也能正常工作,具有穩定的起振特性,高耐熱性,耐熱循環性和耐振性等的高可靠性能,由于在49/S形晶體諧振器的底部裝了樹脂底座,就可作為產品電氣特性和高可靠性無受損的表面貼片型晶體諧振器使用,滿足無鉛焊接的回流溫度曲線要求.
石英晶體高精度晶片的拋光技術:貼片晶振是目前晶片研磨技術中表面處理技術的最高技術,最終使晶振晶片表面更光潔,平行度及平面度更好,降低諧振電阻,提高Q值.從而達到一般研磨所達不到的產品性能,使石英晶振的等效電阻等更接近理論值,使晶振可在更低功耗下工作.使用先進的牛頓環及單色光的方法去檢測晶片表面的狀態。
Raltron晶振公司為了滿足快速增長的無線應用市場的需求,Raltron晶振也將其定位作為一個完整的解決方案供應商,在其晶體和石英晶體振蕩器中添加SAW器件和LTCC濾波器發行.該公司還為同一市場開發了完整的天線產品系列.所有Raltron晶振員工致力于追求品質和卓越.這個哲學通過多年不間斷的增長,使得Raltron處于領先地位.諧振器,時鐘振蕩器和濾波器以及天線在位于的幾個設施中生產中國、該公司正從香港物流樞紐運送全球產品.
Raltron晶振還通過提供追求快速增長的物聯網和機器到機器市場完整的無源器件封裝,包括晶體, TCXO, SAW濾波器, LTCC濾波器和巴倫以及相應IC解決方案規定的各種.天線、Raltron 晶振公司致力于為符合歐盟議會和2011年6月08日理事會2011/65 / EU指令的頻率管理設備提供限制在電氣和電子設備中使用某些有害物質(RoHS指令).

| PARAMETER | VALUE | |
| FREQUENCY RANGE | 3.500 MHz TO 70.000 MHz | |
| MODE OF OSCILLATION | FUNDAMENTAL | 3.500 MHz TO 40.320 MHz |
| THIRD OVERTONE | 24.576 MHz TO 70.000 MHz | |
| FREQUENCY TOLERANCE AT 25°C |
±30 PPM MAXIMUM (±10 PPM, ±20 PPM AND ±50 PPM AVAILABLE) |
|
| FREQUENCY STABILITY OVER TEMPERATURE |
±50 PPM MAXIMUM (±10 PPM, ±20 PPM ,±50 PPMAND ±100 PPM AVAILABLE) |
|
| OPERATING TEMPERATURE RANGE |
-20°C TO +70°C STANDARD -40°C TO +85°C EXTENDED |
|
| STORAGE TEMPERATURE RANGE | -55°C TO +125°C | |
| AGING | ±5 PPM PER YEAR MAXIMUM | |
| LOAD CAPACITANCE | 10 pF to 32 pF OR SERIES | |
| SHUNT CAPACITANCE | 7.0 pF MAXIMUM | |
.jpg)
 11_4_4_5.png)

通電
不建議從中間電位和/或極快速通電,否則會導致有源晶體無法產生振蕩和/或非正常工作.晶振的軟焊溫度條件被設計成可以和普通電子零部件同時作業,但如果是超過規格以上的高溫,則頻率有可能發生較大的變化,因此請避免不必要的高溫度.有關SMD產品的回流焊焊接溫度描述,請參照“表面貼裝型晶體產品的回流焊焊接溫度描述”.
負載電容
振蕩電路中負載電容的不同,可能導致振蕩頻率與設計頻率之間產生偏差.試圖通過強力調整,可能只會導致不正常的振蕩.在使用之前,請指明該振動電路的負載電容.
晶體振蕩器和實時時鐘模塊
所有石英晶體振蕩器和實時時鐘模塊都以IC形式提供.
清洗
關于一般清洗液的使用以及超聲波清洗沒有問題,但這僅僅是對單個石英晶體產品進行試驗所得的結果,因此請根據實際使用狀態進行確認.由于音叉型晶體諧振器的頻率范圍和超聲波清洗機的清洗頻率很近,容易受到共振破壞,因此請盡可能避免超聲波清.洗.若要進行超聲波清洗,必須事先根據實際使用狀態進行確認.
我們將定期對雇員進行教育和培訓,確保他們能夠安全高效的工作,樹立他們的環保責任感.與雇員、客戶、公眾、政府及關注公司環境績效和持續改進計劃的相關方進行充分開放的信息交流.與我們的員工一起開創并保持一個免于事故的49S插件晶振產品生產工作場所.重視污染預防,消除偏離程序的行為強調通過員工努力這一-最可行的方法持續改進我們經營活動的環境績效.
美國RALTRON晶振勞工職業安全衛生議題近年成為世界各國及企業關注焦如何做到‘降低職業災害發生、確保工作場所安全、實施員工健康管理’一直是RALTRON晶體努力的方向,公司于2008年12月通過0HSAS18001職業安全衛生管理系統驗證,提供勞工符合系統要求的安全衛生工作環境.我們將持續的環境、健康和安全方面的改進、污染預防和員工的努力納入日常運行當中.加強產品污染防治,減少現有的橢圓形耐高溫石英晶振產品污染廢棄物以及在未來生產制造中所產生的污染.拉隆晶振,AS插件晶振,HC-49/S晶振


公司:深圳市億金電子有限公司
SHENZHEN YIJIN ELECTRONICS CO;LTD
電話:0755-27876565
手機:18924600166
QQ:857950243
郵箱:yijindz@163.com
網站:http://www.lnjyxx.com


.jpg)
.jpg)
公司:深圳市億金電子有限公司
SHENZHEN YIJIN ELECTRONICS CO;LTD
電話:0755-27876565
手機:18924600166
QQ:857950243
郵箱:yijindz@163.com
網站:http://www.lnjyxx.com





銷售代表