陶瓷霧化片 Atomization Piece
陶瓷晶振 Ceramic SMD crystal
陶瓷濾波器 CeramicFilter
聲表面濾波器|諧振器 SAW filter
千赫晶體KHZ KHz Crystal
石英晶振 Quartz Crystal
貼片晶振 SMD crystal
NJR晶振
應達利晶振
日本大真空晶體 KDS晶振
精工晶振 SEIKO晶體
日本村田陶瓷晶振
西鐵城晶振 CITIZEN晶振
愛普生晶振 EPSON晶振
NSK晶振 NSK晶振
大河晶振 大河晶振
CTS晶振 美國CTS晶振
TXC晶振 TXC晶振
鴻星晶振 鴻星晶振
加高晶振 加高晶振
百利通亞陶晶振 百利通亞陶晶振
泰藝晶振 泰藝晶振
京瓷晶振 京瓷晶振
NDK晶振 NDK晶振
希華晶振 希華晶振
富士晶振 富士晶振
MERCURY晶振
NAKA晶振
SMI晶振
安基晶振
NKG晶振
Renesas瑞薩晶振
ITTI晶振
CTS晶振
Abracon晶振
微晶晶振
瑞康晶振
FOX晶振
Statek晶振
ECS晶振
IDT晶振
高利奇晶振
SiTime晶振
日蝕晶振
康納溫菲爾德晶振
Jauch晶振
維管晶振
拉隆晶振
格林雷晶振
Pletronics晶振
AEK晶振
AEL晶振
Cardinal晶振
Crystek晶振
Euroquartz晶振
Frequency晶振
GEYER晶振
ILSI晶振
KVG晶振
MMDCOMP晶振
MtronPTI晶振
QANTEK晶振
QuartzCom晶振
QuartzChnik晶振
SUNTSU晶振
Transko晶振
WI2WI晶振
韓國三呢晶振
ARGO晶振
ACT晶振
Milliren晶振
韓國Lihom晶振
rubyquartz晶振
美國Oscilent晶振
韓國SHINSUNG晶振
PDI晶振
C-TECH晶振
IQD晶振
Microchip晶振
Fortiming晶振
CORE晶振
NIPPON晶振
NIC晶振
QVS晶振
Bomar晶振
Bliley晶振
GED晶振
FILTRONETICS晶振
STD晶振
Q-Tech晶振
Anderson晶振
Wenzel晶振
NEL晶振
EM晶振
德國PETERMANN晶振
荷蘭FCD-Tech晶體
HEC晶振
FMI晶振
Macrobizes晶振
德國AXTAL晶振
Silicon晶振
SKYWORKS晶振
DEI晶振
石英晶體振蕩器 石英晶體振蕩器
壓控晶振 壓控晶振
溫補晶振 溫補晶振
壓控溫補晶振 壓控溫補晶振
恒溫晶振 恒溫晶振
差分晶振 差分晶振
32.768K有源晶振 32.768K有源晶振
座機: 0755-27876565
手機: 18924600166
E-mail:yijindz@163.com
QQ:857950243
地址:深圳市寶安區新安107國道旁甲岸路
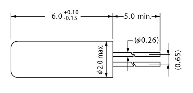
VT-200-FL進口插件晶振,石英晶體,32.768K音叉表晶,精工晶振代理,VT200F-12.5PF20PPM
.jpg)
VT-200-FL進口插件晶振,石英晶體,32.768K音叉表晶,精工晶振代理,"VT200F-12.5PF20PPM",日本進口的32.768KHz系列晶振產品多元化,外觀尺寸有多項選擇,有個優勢則是可以和幾個知名晶振品牌之間產品交替替換使用,例如西鐵城的CM315D,精工的SC320S,西鐵城的FC-135,KDS的DST310S這四款的32.768K外觀尺寸一樣,產品頻率,精度,負載都可以達到相同,所以消費者在使用方面可以得到很好的保障.

| 項目 | 記 號 | VT-200-FL | 條 件 |
| 頻率 | f_nom | 32.768kHz | |
| 頻率容許偏差 | f_tol | ±20x10−6, ±50x10−6 | |
| 頂點溫度 | Ti | +25±5°C | |
| 二級溫度系數 | B | (−3.5±1.0)x10−8/°C2 | |
| 負載容量 | CL | 7.0pF/9.0pF/12.5pF | |
| 串聯電阻 | R1 | 65kÙ 最大值 | |
| 絕對最大激勵等級 | DLmax. | 1μW | |
| 推薦激勵等級 | DL | 0.1μW | |
| 并聯電容 | C0 | 0.8pF 典型值 | |
| 頻率老化程度 | f_age | ±3x10-6 | +25±3°C,第一年 |
| 工作溫度范圍 | T_use | -40°C~+85°C | |
| 保存溫度范圍 | T_stg | -40°C~+85°C | 單件保管 |
.jpg)

.jpg)
"VT200F-12.5PF20PPM", 晶體具有多種振動模式,如基頻, 3次泛音,5次泛音等等.當基頻模式應用時,晶體的電阻是最低的,這意味著它是最簡單的晶體振蕩.當第三色調模式被應用,一個放大電路必須被利用以降低基本模式的頻率反饋到所述延伸小于所述第三音調模式.因此,如果頻率是只有三分之一的目標頻率時,要檢查是否放大處理電路被施加或它的設定值就足夠了,因為電路的環境適合于基本模式,而不是第三次泛音調模式.該電路可能不振蕩,如果放大電路不施加或它的設定值是不足夠的.
石英晶振產品使用每種產品時,請在產品規格說明或產品目錄規定使用條件下使用.因很多種產品性能,以及材料有所不同,所以使用注意事項也有所不同,比如焊接模式,運輸模式,保存模式等等,都會有所差別.
晶體產品的設計和生產直到出廠,都會經過嚴格的測試檢測來滿足它的規格要求.通過嚴格的出廠前可靠性測試以提供高質量高的可靠性的產品.但是為了產品的品質和可靠性,必須在適當的條件下存儲,安 裝,運輸.請注意以下的注意事項并在最佳的條件下使用產品,我們將對于客戶按自己的判斷而使用產品所導致的不良不負任何責任.
.jpg)
"VT200F-12.5PF20PPM", 精工晶振今后會從世界首創的載有 CMOS IC 的石英手表生產起步,開始了 CMOS IC 的開發和制造.長年來,不僅提供鐘表用,還提供各種普通設備、便攜設備用模擬半導體產品.針對車載設備,則提供超小型、低耗電、高精度的模擬半導體產品.為創建優雅、舒適的社會環境做出了重大的貢獻.今后,在不斷加快的汽車電子化進程中以及實現物聯網 (IoT: Internet of Things) 社會的進程中,我們認為,模擬半導體發揮的作用將越發重要.
精工科技本于‘善盡企業責任、"VT200F-12.5PF20PPM",降低環境沖擊、提升員工健康’的理念,執行各項環境及職業安全衛生管理工作;落實公司環安衛政策要求使環境暨安全衛生管理成效日益顯著,不僅符合國內環保、勞安法令要求,同時也能達到國際環保、安全衛生標準.
2003年通過ISO14001環境管理系統驗證,秉持“污染預防、持續改善”之原則,公司事業廢棄物產出量逐年降低,可回收、再利用之廢棄物比例逐年提高,各項排放檢測數據符合政府法規要求.并由原材料管控禁用或限用環境危害物質與國際大廠對于綠色生產及綠色產品的要求相符,于2004年通過SONY 綠色伙伴(Green Partner)驗證.
聯系人:黃娜
公司:深圳市億金電子有限公司
SHENZHEN YIJIN ELECTRONICS CO;LTD
電話:0755-27876565
手機:18924600166
QQ:857950243
郵箱:yijindz@163.com
網站:http://www.lnjyxx.com
地址:廣東省深圳市寶安區新安107國道旁
.jpg)
聯系人:黃娜SHENZHEN YIJIN ELECTRONICS CO;LTD
電話:0755-27876565
手機:18924600166
QQ:857950243
郵箱:yijindz@163.com
網站:http://www.lnjyxx.com
地址:廣東省深圳市寶安區新安107國道旁









銷售代表